Veredicto Samsung Galaxy A17 4G
Difícilmente podrá conseguir un smartphone con pantalla AMOLED más barato que el Samsung Galaxy A17 4G: Pagará menos de 200 euros por el teléfono. Pero también tiene que prescindir de la capacidad 5G y conformarse con 4 GB de RAM, al menos en el modelo básico. La duración de la batería también es bastante mediocre.
No querrá ejecutar aplicaciones demasiado complejas en el SoC relativamente lento. No obstante, la mayoría de las tareas cotidianas se ejecutan sin problemas.
El sistema de cámara flexible con gran angular y macro también es inusual, aunque tengan una resolución muy baja.
Tendrá que convivir con el parpadeo PWM de la pantalla y no deberá exigir demasiado a la velocidad Wi-Fi.
En general, sin embargo, el Samsung Galaxy A17 4G es un smartphone económico inusualmente bien equipado que sin duda merece la pena echar un vistazo.
Pro
Contra
Precio y disponibilidad
En amazon.com pagará unos 230 dólares por el smartphone.
Índice
- Veredicto Samsung Galaxy A17 4G
- Especificaciones
- Carcasa y características: plástico y Gorilla Glass
- Comunicación y funcionamiento - Teléfono LTE con sensor de huellas dactilares
- Software y sostenibilidad: ¿6 años de actualizaciones?
- Cámaras - Inusualmente flexibles
- Pantalla - AMOLED brillante de 90 Hz
- Rendimiento, emisiones y duración de la batería: razonablemente rápido
- Valoración general de Notebookcheck
- Posibles alternativas en comparación
Especificaciones
Carcasa y características: plástico y Gorilla Glass
El chasis del Samsung Galaxy A17 4G ha sido rediseñado, adelgazado y hecho 10 gramos más ligero que su predecesor.
Toda la carcasa es de plástico, pero tiene un aspecto robusto y un acabado limpio. La parte trasera refleja ligeramente la luz ambiental, pero el diseño general es bastante sencillo. Las cámaras están combinadas en un módulo ovalado. La pantalla está protegida por Gorilla Glass Victus, una rareza en este rango de precios.
Nuestro dispositivo de prueba viene con 4 GB de RAM y 128 GB de almacenamiento masivo. También hay un modelo con 8 GB de RAM y 256 GB de almacenamiento masivo, la diferencia de precio es de unos 30 euros.
Nos gusta el hecho de que disponga de NFC, por ejemplo para los servicios de pago por móvil.
No se puede utilizar una eSIM, pero hay disponibles dos ranuras nano-SIM. Una de ellas puede utilizarse también para una tarjeta microSD, que amplía la memoria hasta 2 TB. En nuestra prueba, el lector funcionó razonablemente rápido y con velocidades de transferencia bastante estables.
Top 10 Análisis
» Top 10 Portátiles Multimedia
» Top 10 Portátiles de Juego
» Top 10 Portátiles de Juego ligeros
» Top 10 Portátiles Asequibles de Oficina/Empresa
» Top 10 Portátiles de Juego Ligeros
» Top 10 Portátiles de Oficina/Empresa Premium
» Top 10 Estaciones de Trabajo
» Top 10 Subportátiles
» Top 10 Ultrabooks
» Top 10 Convertibles
» Top 10 Tablets
» Top 10 Tablets Windows
» Top 10 Tablets de menos de 250 Euros
» Top 10 Phablets (>5.5")
» Top 10 Smartphones
» Top 10 Smartphones (≤5")
» Top 10 Smartphones de menos de 300 Euros
» Top 10 Smartphones de menos de 120 Euros
» Top 10 Portátiles de menos de 1000 Euros
» Top 10 Portátiles de menos de 500 Euros
» Top 10 Portátiles de menos de 300 Euros
» Los Mejores Displays de Portátiles Analizados por Notebookcheck
| SD Card Reader - average JPG Copy Test (av. of 3 runs) | |
| Samsung Galaxy A17 5G (Angelbird V60) | |
| Samsung Galaxy A16 4G (Angelbird V60) | |
| Samsung Galaxy A17 4G | |
| Xiaomi Redmi 15C 5G (Angelbird V60) | |
| Media de la clase Smartphone (5.72 - 58.9, n=69, últimos 2 años) | |
| Motorola Moto G15 (Angelbird V60) | |
Prueba de disco de plataforma cruzada (CPDT)
Comunicación y funcionamiento - Teléfono LTE con sensor de huellas dactilares
Tiene que prescindir de las comunicaciones móviles 5G y tampoco hay demasiadas bandas de frecuencia disponibles en la red LTE.
La recepción no siempre es óptima en varias comprobaciones puntuales durante nuestra prueba, pero rara vez falla por completo.
En Wi-Fi, el teléfono sólo puede utilizar como mucho el estándar WiFi 5. Esto significa que se alcanzan velocidades de datos de unos 300 MBit/s de forma bastante estable.
La pantalla puede mostrar hasta 90 fotogramas por segundo y, por tanto, reacciona con bastante rapidez a las entradas. La pantalla táctil puede manejarse con precisión.
En el botón de espera, situado en el lado derecho de la carcasa, hay integrado un sensor de huellas dactilares que desbloquea el teléfono de forma fiable y con poco tiempo de espera. También es posible el desbloqueo biométrico mediante reconocimiento facial. También funciona con bastante rapidez y precisión con buena luz ambiental.
| Networking | |
| Samsung Galaxy A17 4G | |
| iperf3 transmit AXE11000 | |
| iperf3 receive AXE11000 | |
| Samsung Galaxy A17 5G | |
| iperf3 transmit AXE11000 | |
| iperf3 receive AXE11000 | |
| Xiaomi Redmi 15C 5G | |
| iperf3 transmit AXE11000 | |
| iperf3 receive AXE11000 | |
| Samsung Galaxy A16 4G | |
| iperf3 transmit AXE11000 | |
| iperf3 receive AXE11000 | |
| Motorola Moto G15 | |
| iperf3 transmit AXE11000 | |
| iperf3 receive AXE11000 | |
| Medio 802.11 a/b/g/n/ac | |
| iperf3 transmit AXE11000 | |
| iperf3 receive AXE11000 | |
| Media de la clase Smartphone | |
| iperf3 transmit AXE11000 | |
| iperf3 receive AXE11000 | |
Software y sostenibilidad: ¿6 años de actualizaciones?
Android 15 está preinstalado en el dispositivo, con OneUI de Samsung por encima, lo que cambia el sistema operativo de forma bastante significativa.
El Galaxy A17 4G recibirá actualizaciones hasta 2031, es decir, durante seis años a partir de su lanzamiento, y las nuevas versiones del sistema operativo estarán disponibles durante este periodo. Sin embargo, Samsung lo restringe en su página web con el añadido "hasta" y otras cláusulas legales. Así que no puede confiar plenamente en esta gran promesa.
El Galaxy A17 4G viene embalado en papel. Los materiales reciclados sólo representan el 1,4% del producto. Al menos existe una base de datos de autorreparación https://samsung.sparepartservice.shop/eshopmvc/countryselect?g7=1284980N&goto=index?g7%3D1284980N%26&checksum=3d7de8c4422afb1b9bd970b4d27ebf65 en la que Samsung ofrece piezas de repuesto.
Cámaras - Inusualmente flexibles
Nada ha cambiado en las cámaras en comparación con el Galaxy A16 4Gpero ya estaba muy bien equipada: Además de la cámara principal de 50 megapíxeles, también hay un objetivo gran angular y un objetivo macro. Ambos tienen una resolución baja, pero el sistema de cámaras sigue siendo bastante flexible.
La cámara principal hace fotos pasables que muestran colores frescos. Los detalles no siempre son fácilmente reconocibles. La imagen del entorno también aparece algo borrosa en algunos lugares. Con poca luz y fuertes contrastes, la luminosidad es bastante buena y aún se pueden distinguir detalles en la mayoría de las zonas.
Los vídeos se pueden grabar a un máximo de 1080p y 30 fps. El nivel de detalle es decente, pero el autoenfoque es a veces demasiado lento.
La imagen de la cámara gran angular parece bastante tosca. La cámara frontal toma selfies decentes con un buen nivel de detalle.
Comparación de Imágenes
Elige una escena y navega dentro de la primera imagen. Un click cambia el nivel de zoom. Un click en la imagen aumentada abre la original en una ventana nueva. La primera imagen muestra la fotografía escalada del dispositivo de pruebas.
Hauptkamera PflanzeHauptkamera UmgebungHauptkamera LowLightWeitwinkel

Pantalla - AMOLED brillante de 90 Hz
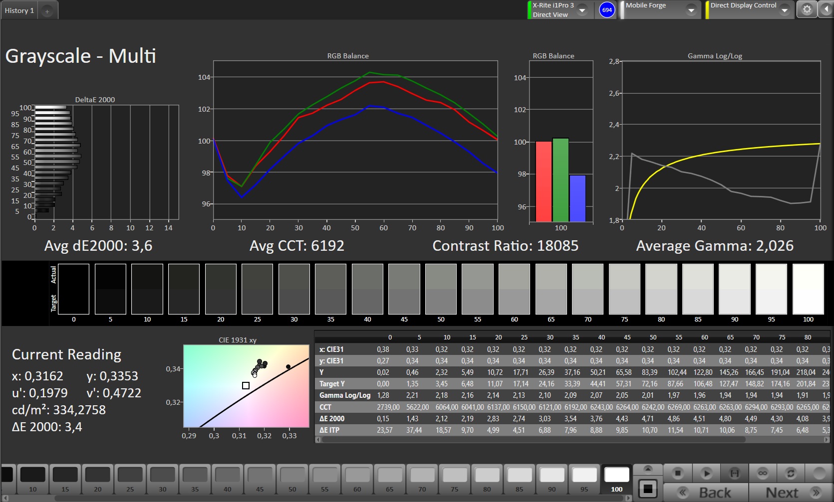
La pantalla AMOLED del Galaxy A17 es una rareza en el rango de precios por debajo de los 200 euros. La pantalla es bastante brillante con hasta 687 cd/m².
La reproducción del color también es agradable con sólo ligeras desviaciones apenas visibles a simple vista.
La imagen se ve bastante nítida y los colores son vivos.
Sin embargo, también tiene que aceptar el parpadeo PWM a niveles bajos de brillo.
| |||||||||||||||||||||||||
iluminación: 93 %
Brillo con batería: 687 cd/m²
Contraste: ∞:1 (Negro: 0 cd/m²)
ΔE ColorChecker Calman: 3.45 | ∀{0.5-29.43 Ø4.78}
ΔE Greyscale Calman: 3.6 | ∀{0.09-98 Ø5}
99.8% sRGB (Calman 2D)
Gamma: 2.026
CCT: 6192 K
| Samsung Galaxy A17 4G AMOLED, 2340x1080, 6.7" | Samsung Galaxy A17 5G AMOLED, 2340x1080, 6.7" | Xiaomi Redmi 15C 5G IPS, 1600x720, 6.9" | Samsung Galaxy A16 4G Super AMOLED, 2340x1080, 6.7" | Motorola Moto G15 IPS, 2400x1080, 6.7" | |
|---|---|---|---|---|---|
| Screen | 5% | 1% | 8% | 5% | |
| Brightness middle (cd/m²) | 687 | 691 1% | 591 -14% | 729 6% | 468 -32% |
| Brightness (cd/m²) | 666 | 672 1% | 557 -16% | 716 8% | 452 -32% |
| Brightness Distribution (%) | 93 | 92 -1% | 91 -2% | 95 2% | 86 -8% |
| Black Level * (cd/m²) | 0.51 | 0.3 | |||
| Colorchecker dE 2000 * | 3.45 | 3.15 9% | 3.25 6% | 3.14 9% | 2.07 40% |
| Colorchecker dE 2000 max. * | 5.49 | 4.41 20% | 6.77 -23% | 4.24 23% | 6.38 -16% |
| Greyscale dE 2000 * | 3.6 | 3.6 -0% | 1.6 56% | 3.6 -0% | 0.8 78% |
| Gamma | 2.026 109% | 2.041 108% | 2.299 96% | 2.057 107% | 2.202 100% |
| CCT | 6192 105% | 6507 100% | 6967 93% | 6441 101% | 6607 98% |
| Contrast (:1) | 1159 | 1560 |
* ... más pequeño es mejor
Parpadeo de Pantalla / PWM (Pulse-Width Modulation)
| Parpadeo de Pantalla / PWM detectado | 367 Hz Amplitude: 16 % | ||
La retroiluminación del display parpadea a 367 Hz (seguramente usa PWM - Pulse-Width Modulation) . La frecuencia de 367 Hz es relativamente alta, por lo que la mayoría de gente no debería ver parpadeo o tener fatiga visual. Sin embargo, hay informes de que algunas personas pueden seguir viendo parpadeos a 500 Hz y superior, por lo que cuidado. Comparación: 53 % de todos los dispositivos testados no usaron PWM para atenuar el display. Si se usó, medimos una media de 8121 (mínimo: 5 - máxmo: 343500) Hz. | |||
Tiempos de respuesta del display
| ↔ Tiempo de respuesta de Negro a Blanco | ||
|---|---|---|
| 2.5 ms ... subida ↗ y bajada ↘ combinada | ↗ 1.2 ms subida | |
| ↘ 1.3 ms bajada | ||
| La pantalla mostró tiempos de respuesta muy rápidos en nuestros tests y debería ser adecuada para juegos frenéticos. En comparación, todos los dispositivos de prueba van de ##min### (mínimo) a 240 (máximo) ms. » 12 % de todos los dispositivos son mejores. Esto quiere decir que el tiempo de respuesta medido es mejor que la media (20.2 ms) de todos los dispositivos testados. | ||
| ↔ Tiempo de respuesta 50% Gris a 80% Gris | ||
| 2 ms ... subida ↗ y bajada ↘ combinada | ↗ 1 ms subida | |
| ↘ 1 ms bajada | ||
| La pantalla mostró tiempos de respuesta muy rápidos en nuestros tests y debería ser adecuada para juegos frenéticos. En comparación, todos los dispositivos de prueba van de ##min### (mínimo) a 636 (máximo) ms. » 8 % de todos los dispositivos son mejores. Esto quiere decir que el tiempo de respuesta medido es mejor que la media (31.6 ms) de todos los dispositivos testados. | ||
Rendimiento, emisiones y duración de la batería: razonablemente rápido
El MediaTek Helio G99 es un SoC muy popular en esta categoría de precios. Normalmente permite un funcionamiento fluido, pero pueden producirse tiempos de espera en situaciones más exigentes.
El rendimiento está significativamente por debajo del modelo 5G del Galaxy A17, pero por lo demás a la par con modelos de precio similar. La memoria UFS 2.2 funciona con bastante rapidez, pero en realidad es más lenta que en el predecesor, lo que sólo puede explicarse por un controlador de memoria diferente o un estrangulamiento por software.
El teléfono se calienta hasta un máximo de 44,4 °C bajo carga prolongada, lo que es perceptible pero no crítico. El teléfono también se ralentiza mínimamente en el mejor de los casos tras largos periodos de uso.
El único altavoz situado en el borde inferior suena mejor que su predecesor, sigue siendo bueno a volumen máximo y ya no es tan agudo. Así que sin duda podrá escuchar música pop o bandas sonoras de películas. Dispone de conexiones USB o Bluetooth para dispositivos de audio externos. Sin embargo, hay relativamente pocos códecs de audio para la transmisión inalámbrica.
La batería de 5.000 mAh es la misma que en el Galaxy A16 4G y los tiempos de ejecución son sólo ligeramente diferentes. El Samsung Galaxy A17 4G dura unas 13 horas en nuestra prueba de batería WiFi, lo que revela uno de sus puntos débiles en comparación con otros teléfonos.
| Jetstream 2 - 2.0 Total Score | |
| Media de la clase Smartphone (23.8 - 387, n=153, últimos 2 años) | |
| Samsung Galaxy A17 5G | |
| Xiaomi Redmi 15C 5G | |
| Samsung Galaxy A17 4G | |
| Medio Mediatek Helio G99 (46.9 - 90.3, n=13) | |
| Samsung Galaxy A17 4G | Samsung Galaxy A17 5G | Xiaomi Redmi 15C 5G | Samsung Galaxy A16 4G | Motorola Moto G15 | Medio 128 GB eMMC Flash | Media de la clase Smartphone | |
|---|---|---|---|---|---|---|---|
| AndroBench 3-5 | -1% | 181% | 179% | -3% | -16% | 476% | |
| Sequential Read 256KB (MB/s) | 518.6 | 528.2 2% | 509.9 -2% | 942.8 82% | 287.7 -45% | 300 ? -42% | 2223 ? 329% |
| Sequential Write 256KB (MB/s) | 172.6 | 170.7 -1% | 512.1 197% | 710.8 312% | 228.5 32% | 195.1 ? 13% | 1838 ? 965% |
| Random Read 4KB (MB/s) | 141.1 | 134.7 -5% | 196.3 39% | 208.8 48% | 65.2 -54% | 85.9 ? -39% | 295 ? 109% |
| Random Write 4KB (MB/s) | 55.9 | 56.4 1% | 329 489% | 208.1 272% | 87.4 56% | 58.1 ? 4% | 335 ? 499% |
(±) La temperatura máxima en la parte superior es de 44.4 °C / 112 F, frente a la media de 35.2 °C / 95 F, que oscila entre 21.9 y 247 °C para la clase Smartphone.
(±) El fondo se calienta hasta un máximo de 44.9 °C / 113 F, frente a la media de 34 °C / 93 F
(+) En reposo, la temperatura media de la parte superior es de 25.3 °C / 78# F, frente a la media del dispositivo de 32.9 °C / 91 F.
pruebas de estrés 3DMark
| 3DMark | |
| Wild Life Stress Test Stability | |
| Samsung Galaxy A17 4G | |
| Motorola Moto G15 | |
| Samsung Galaxy A17 5G | |
| Xiaomi Redmi 15C 5G | |
| Samsung Galaxy A16 4G | |
| Wild Life Extreme Stress Test | |
| Motorola Moto G15 | |
| Xiaomi Redmi 15C 5G | |
| Samsung Galaxy A17 4G | |
| Samsung Galaxy A16 4G | |
| Samsung Galaxy A17 5G | |
Samsung Galaxy A17 4G análisis de audio
(+) | los altavoces pueden reproducir a un volumen relativamente alto (#89 dB)
Graves 100 - 315 Hz
(-) | casi sin bajos - de media 24% inferior a la mediana
(±) | la linealidad de los graves es media (12.9% delta a frecuencia anterior)
Medios 400 - 2000 Hz
(±) | medias más altas - de media 6.1% más altas que la mediana
(+) | los medios son lineales (5.3% delta a la frecuencia anterior)
Altos 2 - 16 kHz
(±) | máximos más altos - de media 6.5% más altos que la mediana
(±) | la linealidad de los máximos es media (9% delta a frecuencia anterior)
Total 100 - 16.000 Hz
(±) | la linealidad del sonido global es media (21.9% de diferencia con la mediana)
En comparación con la misma clase
» 44% de todos los dispositivos probados de esta clase eran mejores, 8% similares, 48% peores
» El mejor tuvo un delta de 11%, la media fue 35%, el peor fue ###max##%
En comparación con todos los dispositivos probados
» 62% de todos los dispositivos probados eran mejores, 7% similares, 31% peores
» El mejor tuvo un delta de 4%, la media fue 24%, el peor fue ###max##%
Motorola Moto G15 análisis de audio
(+) | los altavoces pueden reproducir a un volumen relativamente alto (#84.3 dB)
Graves 100 - 315 Hz
(-) | casi sin bajos - de media 23.7% inferior a la mediana
(±) | la linealidad de los graves es media (11.9% delta a frecuencia anterior)
Medios 400 - 2000 Hz
(±) | medias más altas - de media 5.3% más altas que la mediana
(+) | los medios son lineales (5.8% delta a la frecuencia anterior)
Altos 2 - 16 kHz
(+) | máximos equilibrados - a sólo 3.3% de la mediana
(+) | los máximos son lineales (5.9% delta a la frecuencia anterior)
Total 100 - 16.000 Hz
(±) | la linealidad del sonido global es media (19.9% de diferencia con la mediana)
En comparación con la misma clase
» 32% de todos los dispositivos probados de esta clase eran mejores, 8% similares, 61% peores
» El mejor tuvo un delta de 11%, la media fue 35%, el peor fue ###max##%
En comparación con todos los dispositivos probados
» 50% de todos los dispositivos probados eran mejores, 7% similares, 43% peores
» El mejor tuvo un delta de 4%, la media fue 24%, el peor fue ###max##%
| Samsung Galaxy A17 4G 5000 mAh | Samsung Galaxy A17 5G 5000 mAh | Xiaomi Redmi 15C 5G 6000 mAh | Samsung Galaxy A16 4G 5000 mAh | Motorola Moto G15 5200 mAh | |
|---|---|---|---|---|---|
| Duración de Batería | 2% | 43% | 16% | 31% | |
| WiFi v1.3 (h) | 13 | 13.2 2% | 18.6 43% | 15.1 16% | 17 31% |
| Reader / Idle (h) | 33.7 | 27.2 | 29.8 | ||
| H.264 (h) | 17.9 | 23.7 | 19.8 | ||
| Load (h) | 4.5 | 5.8 | 5.5 |
Valoración general de Notebookcheck
El Samsung Galaxy A17 4G está muy bien equipado para su rango de precio.
Los únicos puntos débiles son los tiempos de ejecución y la titubeante promesa de actualización.

Samsung Galaxy A17 4G
- 10/24/2025 v8
Florian Schmitt
Posibles alternativas en comparación
Imagen | Modelo | Precio | Peso | Drive | Pantalla |
|---|---|---|---|---|---|
| Samsung Galaxy A17 4G Mediatek Helio G99 ⎘ ARM Mali-G57 MP2 ⎘ 4 GB Memoría, 128 GB eMMC | Amazon: $204.99 Precio de catálogo: 185€ | 190 g | 128 GB eMMC Flash | 6.70" 2340x1080 385 PPI AMOLED | |
| Samsung Galaxy A17 5G Samsung Exynos 1330 ⎘ ARM Mali-G68 MP2 ⎘ 4 GB Memoría, 128 GB eMMC | Amazon: $212.70 Precio de catálogo: 209€ | 192 g | 128 GB eMMC Flash | 6.70" 2340x1080 385 PPI AMOLED | |
| Xiaomi Redmi 15C 5G Mediatek Dimensity 6300 ⎘ ARM Mali-G57 MP2 ⎘ 4 GB Memoría, 128 GB UFS 2.1 | Amazon: 1. $7.99 Suttkue for Xiaomi Redmi 15C... 2. $3.59 Mr.Shield Screen Protector c... 3. $8.57 GANGANPRO 2 Pack Privacy Scr... Precio de catálogo: 170€ | 211 g | 128 GB UFS 2.2 Flash | 6.90" 1600x720 254 PPI IPS | |
| Samsung Galaxy A16 4G Mediatek Helio G99 ⎘ ARM Mali-G57 MP2 ⎘ 4 GB Memoría, 128 GB UFS 2.1 | Amazon: $125.67 Precio de catálogo: 179€ | 200 g | 128 GB UFS 2.2 Flash | 6.70" 2340x1080 385 PPI Super AMOLED | |
| Motorola Moto G15 Mediatek Helio G81 ⎘ ARM Mali-G52 MP2 ⎘ 4 GB Memoría, 128 GB eMMC | Amazon: $133.70 Precio de catálogo: 150€ | 190 g | 128 GB eMMC Flash | 6.72" 2400x1080 392 PPI IPS |
Transparencia
La selección de los dispositivos que se van a reseñar corre a cargo de nuestro equipo editorial. La muestra de prueba fue proporcionada al autor en calidad de préstamo por el fabricante o el minorista a los efectos de esta reseña. El prestamista no tuvo ninguna influencia en esta reseña, ni el fabricante recibió una copia de la misma antes de su publicación. No había ninguna obligación de publicar esta reseña. Como empresa de medios independiente, Notebookcheck no está sujeta a la autoridad de fabricantes, minoristas o editores.
Así es como prueba Notebookcheck
Cada año, Notebookcheck revisa de forma independiente cientos de portátiles y smartphones utilizando procedimientos estandarizados para asegurar que todos los resultados son comparables. Hemos desarrollado continuamente nuestros métodos de prueba durante unos 20 años y hemos establecido los estándares de la industria en el proceso. En nuestros laboratorios de pruebas, técnicos y editores experimentados utilizan equipos de medición de alta calidad. Estas pruebas implican un proceso de validación en varias fases. Nuestro complejo sistema de clasificación se basa en cientos de mediciones y puntos de referencia bien fundamentados, lo que mantiene la objetividad.






















