Veredicto - Optimizado para conferencias y tareas básicas de oficina
Si Qualcomm Snapdragon es o no para usted depende de sus necesidades. El EliteBook 6 G1q 14 está optimizado para Co-Pilot+, WAN 5G y conectividad HP Go, funciones de webcam mejoradas con IA y un rendimiento de CPU excelente para el precio cuando se ejecutan aplicaciones nativas ARM. Sin embargo, para aplicaciones más especializadas o que requieran un uso intensivo de la GPU, la compatibilidad no está garantizada y el rendimiento puede ser más lento de lo esperado a través de la emulación.
Por lo demás, el hardware que rodea a la CPU es excelente, especialmente para un EliteBook de modelo básico. La duración de la batería y el ruido del ventilador en particular son generalmente más largos y más silenciosos, respectivamente, que la mayoría de las soluciones de Intel o AMD. Recomendamos seleccionar cuidadosamente las opciones de pantalla, ya que existen diferencias significativas entre las configuraciones con o sin Sure View o si se eligen 2560 x 1600 en lugar de 1920 x 1200.
Pro
Contra
Precio y disponibilidad
Amazon ya está distribuyendo el HP EliteBook 6 G1q 14 tal y como está configurado en este análisis por 1345 USD. Alternativamente, los usuarios pueden personalizar y comprar directamente a HP a partir de $1161.
La serie EliteBook 6 sustituye directamente a la antigua serie EliteBook 600 para convertirse en la gama económica de referencia para empresas y oficinas. La serie está disponible en variantes Intel, AMD y Qualcomm apropiadamente denominadas G1i, G1a y G1q, respectivamente.
Nuestra unidad de prueba EliteBook 6 G1q 14 es una configuración Qualcomm intermedia con la CPU Snapdragon X Plus X1P-42-100, pantalla IPS de 1200p y 32 GB de RAM soldada por aproximadamente 1345 USD. Otras SKU vienen con el Snapdragon X X1-26-100 más lento o el Snapdragon X Elite X1E-78-100 más rápido junto con resoluciones de pantalla adicionales de hasta 1600p.
Entre los competidores del EliteBook 6 se incluyen otros subportátiles empresariales como el Lenovo ThinkPad E14 Gen 7dell Pro 14 Plus, o Asus ExpertBook B5.
Más opiniones sobre HP:
Top 10 Análisis
» Top 10 Portátiles Multimedia
» Top 10 Portátiles de Juego
» Top 10 Portátiles de Juego ligeros
» Top 10 Portátiles Asequibles de Oficina/Empresa
» Top 10 Portátiles de Juego Ligeros
» Top 10 Portátiles de Oficina/Empresa Premium
» Top 10 Estaciones de Trabajo
» Top 10 Subportátiles
» Top 10 Ultrabooks
» Top 10 Convertibles
» Top 10 Tablets
» Top 10 Tablets Windows
» Top 10 Tablets de menos de 250 Euros
» Top 10 Phablets (>5.5")
» Top 10 Smartphones
» Top 10 Smartphones (≤5")
» Top 10 Smartphones de menos de 300 Euros
» Top 10 Smartphones de menos de 120 Euros
» Top 10 Portátiles de menos de 1000 Euros
» Top 10 Portátiles de menos de 500 Euros
» Top 10 Portátiles de menos de 300 Euros
» Los Mejores Displays de Portátiles Analizados por Notebookcheck
Especificaciones
Caso
El diseño y la calidad del chasis siguen siendo sólidos a pesar de que el EliteBook 6 es esencialmente uno de los modelos menos caros de la familia. La cubierta del teclado, la cubierta inferior y la cubierta exterior son de aluminio en lugar de plástico, por lo que el sistema sigue dando la sensación de ser un auténtico EliteBook y no un Pavilion más barato. Las bisagras también están bastante tensadas hasta los 180 grados completos.
Conectividad
Hay un número impresionante de puertos integrados para este modelo EliteBook de nivel básico. HDMI, RJ-45, y múltiples puertos USB-A están todos presentes mientras que el mucho más caro EliteBook Ultra G1q carece de muchos de estos elementos básicos.
Tenga en cuenta que el modelo Qualcomm del EliteBook 6 no tiene ninguna opción de tarjeta inteligente.
Comunicación
| Networking | |
| iperf3 transmit AXE11000 | |
| Asus ExpertBook B5 B5404CMA | |
| HP ProBook 445 G10 | |
| Dell Pro 14 Plus PB14255 GH77W | |
| HP EliteBook 8 G1a 14 AD3E9ET | |
| HP EliteBook 6 G1q 14 | |
| iperf3 receive AXE11000 | |
| HP ProBook 445 G10 | |
| Asus ExpertBook B5 B5404CMA | |
| HP EliteBook 8 G1a 14 AD3E9ET | |
| Dell Pro 14 Plus PB14255 GH77W | |
| HP EliteBook 6 G1q 14 | |
| iperf3 transmit AXE11000 6GHz | |
| Dell Pro 14 Plus PB14255 GH77W | |
| Asus ExpertBook B5 B5404CMA | |
| HP EliteBook 6 G1q 14 | |
| HP EliteBook 8 G1a 14 AD3E9ET | |
| iperf3 receive AXE11000 6GHz | |
| Dell Pro 14 Plus PB14255 GH77W | |
| HP EliteBook 8 G1a 14 AD3E9ET | |
| Asus ExpertBook B5 B5404CMA | |
| HP EliteBook 6 G1q 14 | |
Cámara web
Nuestra unidad de prueba viene equipada con una cámara web de 2 MP y un obturador físico, pero hay disponibles configuraciones de gama más alta tanto con IR como con una cámara web de 5 MP de mayor resolución.

Mantenimiento
Sostenibilidad
El chasis está compuesto en un 50 por ciento de metal reciclado y entre un 20 y un 50 por ciento de plásticos reciclados o procedentes del mar. El embalaje es principalmente de papel y cartón con un poco de envoltorio de plástico para el adaptador de CA.
Accesorios y garantía
No hay extras en la caja. Se aplica la garantía limitada habitual del fabricante de un año si se adquiere en EE.UU.
Dispositivos de entrada
A pesar de ser uno de los modelos EliteBook más baratos, el sistema todavía se siente muy bien para escribir con una retroalimentación satisfactoria y recorrido para cada tecla. Los teclados de los modelos más caros, como el EliteBook Ultra G1q, tienen teclas de mayor calidad con una disposición ligeramente diferente para las teclas de dirección.
Mostrar
Hay cinco opciones de pantalla disponibles. Nuestra unidad de pruebas específica viene configurada con la opción en negrita.
- 1920 x 1200, IPS, 300 nits, 60 Hz, no táctil
- 1920 x 1200, IPS, 300 nits, 60 Hz, táctil
- 1920 x 1200, IPS, 400 nits, 60 Hz, no táctil
- 1920 x 1200, IPS, 800 nits, 60 Hz, Sure View, no táctil
- 2560 x 1600, IPS, 400 nits, 120 Hz, 100% DCI-P3, no táctil
Esta opción ofrece colores sRGB completos aunque con tiempos de respuesta blanco-negro relativamente lentos, sin calibración del color de fábrica y sólo una frecuencia de actualización de 60 Hz. Las opciones de pantalla táctil se limitan sólo al panel de gama baja de 300 nits, mientras que el panel superbrillante está vinculado únicamente a Sure View. Sin embargo, para la navegación básica, el streaming y la edición amateur de imágenes, nuestro panel de 400 nits con colores sRGB es suficiente.
| |||||||||||||||||||||||||
iluminación: 94 %
Brillo con batería: 434.4 cd/m²
Contraste: 3342:1 (Negro: 0.13 cd/m²)
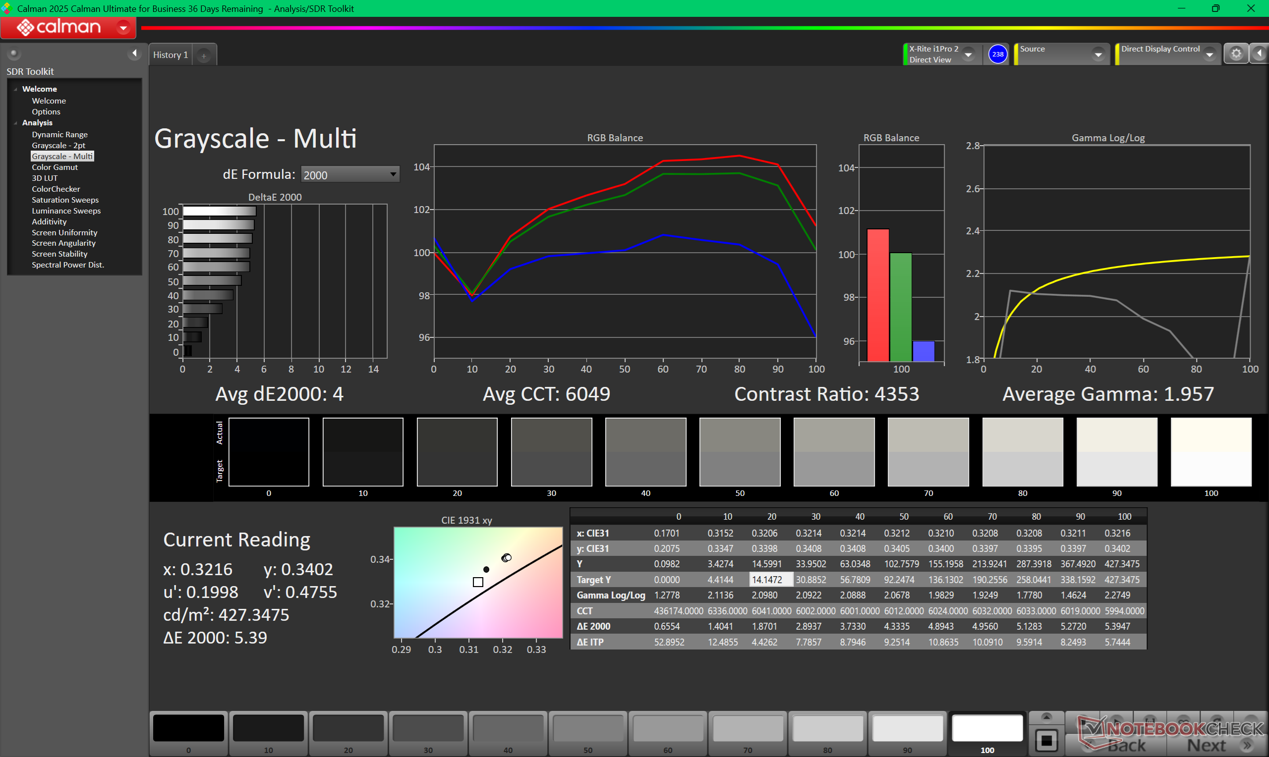
ΔE ColorChecker Calman: 3.31 | ∀{0.5-29.43 Ø4.73}
ΔE Greyscale Calman: 4 | ∀{0.09-98 Ø4.98}
Gamma: 1.96
CCT: 6049 K
| HP EliteBook 6 G1q 14 LG Philips LGD079D, IPS, 1920x1200, 14", 90 Hz | HP EliteBook 8 G1a 14 AD3E9ET LGD079D, IPS LED, 1920x1200, 14", 60 Hz | HP ProBook 445 G10 AUO2FA6, IPS, 1920x1080, 14", 60 Hz | Lenovo ThinkPad E14 G7-21SYS00H00 TL140ADXP22, IPS, 2880x1800, 14", 120 Hz | Dell Pro 14 Plus PB14255 GH77W LP140WU4, IPS LED, 1920x1200, 14", 60 Hz | Asus ExpertBook B5 B5404CMA BOE NV140WUM-N43, IPS, 1920x1200, 14", 60 Hz | |
|---|---|---|---|---|---|---|
| Display | ||||||
| Display P3 Coverage (%) | 67.1 | 68.4 | 72.2 | 37.5 | 39.7 | |
| sRGB Coverage (%) | 96 | 95.2 | 100 | 56.3 | 59.1 | |
| AdobeRGB 1998 Coverage (%) | 69.2 | 70.6 | 73.7 | 38.8 | 41.1 | |
| Response Times | 31% | 14% | 44% | 41% | 54% | |
| Response Time Grey 50% / Grey 80% * (ms) | 50.2 ? | 31.4 ? 37% | 53.4 ? -6% | 32.7 ? 35% | 27.1 ? 46% | 23.65 ? 53% |
| Response Time Black / White * (ms) | 32.6 ? | 24.5 ? 25% | 21.8 ? 33% | 15.7 ? 52% | 21.1 ? 35% | 14.83 ? 55% |
| PWM Frequency (Hz) | ||||||
| Screen | -17% | -12% | -6% | -58% | -74% | |
| Brightness middle (cd/m²) | 434.4 | 444 2% | 501 15% | 389 -10% | 315 -27% | 290 -33% |
| Brightness (cd/m²) | 423 | 434 3% | 464 10% | 363 -14% | 295 -30% | 281 -34% |
| Brightness Distribution (%) | 94 | 94 0% | 87 -7% | 89 -5% | 87 -7% | 79 -16% |
| Black Level * (cd/m²) | 0.13 | 0.19 -46% | 0.26 -100% | 0.24 -85% | 0.25 -92% | 0.22 -69% |
| Contrast (:1) | 3342 | 2337 -30% | 1927 -42% | 1621 -51% | 1260 -62% | 1318 -61% |
| Colorchecker dE 2000 * | 3.31 | 3.4 -3% | 2.64 20% | 1.7 49% | 6 -81% | 6.61 -100% |
| Colorchecker dE 2000 max. * | 5.44 | 7 -29% | 5.06 7% | 3.5 36% | 15.2 -179% | 20.32 -274% |
| Greyscale dE 2000 * | 4 | 5.2 -30% | 3.8 5% | 2.8 30% | 3.3 17% | 4.1 -2% |
| Gamma | 1.96 112% | 2.04 108% | 2.103 105% | 2.17 101% | 2.02 109% | 1.81 122% |
| CCT | 6049 107% | 6295 103% | 6562 99% | 6572 99% | 6140 106% | 7048 92% |
| Colorchecker dE 2000 calibrated * | 1.7 | 1.57 | 1.2 | 5.1 | 4.25 | |
| Media total (Programa/Opciones) | 7% /
-7% | 1% /
-7% | 19% /
4% | -9% /
-38% | -10% /
-48% |
* ... más pequeño es mejor
El panel sólo se calibra decentemente al sacarlo de la caja con su temperatura de color excesivamente cálida y unos valores medios de escala de grises y color deltaE relativamente bajos de 4,0 y 3,31, respectivamente. Aunque no está mal para un portátil empresarial económico, una calibración por parte del usuario final puede ser más difícil ya que el software de X-Rite no es compatible actualmente con las máquinas ARM.
Tiempos de respuesta del display
| ↔ Tiempo de respuesta de Negro a Blanco | ||
|---|---|---|
| 32.6 ms ... subida ↗ y bajada ↘ combinada | ↗ 14.9 ms subida | |
| ↘ 17.7 ms bajada | ||
| La pantalla mostró tiempos de respuesta lentos en nuestros tests y podría ser demasiado lenta para los jugones. En comparación, todos los dispositivos de prueba van de ##min### (mínimo) a 240 (máximo) ms. » 88 % de todos los dispositivos son mejores. Eso quiere decir que el tiempo de respuesta es peor que la media (19.9 ms) de todos los dispositivos testados. | ||
| ↔ Tiempo de respuesta 50% Gris a 80% Gris | ||
| 50.2 ms ... subida ↗ y bajada ↘ combinada | ↗ 22.2 ms subida | |
| ↘ 28 ms bajada | ||
| La pantalla mostró tiempos de respuesta lentos en nuestros tests y podría ser demasiado lenta para los jugones. En comparación, todos los dispositivos de prueba van de ##min### (mínimo) a 636 (máximo) ms. » 87 % de todos los dispositivos son mejores. Eso quiere decir que el tiempo de respuesta es peor que la media (31.2 ms) de todos los dispositivos testados. | ||
Parpadeo de Pantalla / PWM (Pulse-Width Modulation)
| Parpadeo de Pantalla / PWM no detectado | |||
Comparación: 52 % de todos los dispositivos testados no usaron PWM para atenuar el display. Si se usó, medimos una media de 7857 (mínimo: 5 - máxmo: 343500) Hz. | |||
Rendimiento
Condiciones de prueba
Pusimos Windows en modo Rendimiento antes de ejecutar las pruebas comparativas que se indican a continuación.
Procesador
Las comparaciones directas del rendimiento de la CPU con los típicos portátiles x86 pueden resultar difíciles. Si la aplicación se ejecuta de forma nativa en Windows ARM, entonces nuestro Snapdragon X Plus X1P-42-100 puede superar incluso al Lunar Lake Core Ultra 7 258V en más de un 30% en cargas de trabajo multihilo en bruto. Si la aplicación debe ser emulada, sin embargo, entonces nuestra CPU Snapdragon puede rendir hasta un 25 por ciento más lento para estar a la par con una CPU de la serie U más antigua como el Ryzen 5 7530U.
La actualización al Snapdragon X Elite X1E-78-100 desde nuestro Snapdragon X Plus X1P-42-100 se espera que aumente el rendimiento entre un 10 y un 15 por ciento, mientras que bajar al Snapdragon X X1-26-100 se espera que suponga un golpe de rendimiento del 15 por ciento.
Bucle múltiple Cinebench R15
Cinebench R23: Multi Core | Single Core
Cinebench R20: CPU (Multi Core) | CPU (Single Core)
Cinebench R15: CPU Multi 64Bit | CPU Single 64Bit
Blender: v2.79 BMW27 CPU
7-Zip 18.03: 7z b 4 | 7z b 4 -mmt1
Geekbench 6.6: Multi-Core | Single-Core
Geekbench 5.5: Multi-Core | Single-Core
HWBOT x265 Benchmark v2.2: 4k Preset
LibreOffice : 20 Documents To PDF
R Benchmark 2.5: Overall mean
Cinebench 2024: CPU Multi Core | CPU Single Core
| CPU Performance rating | |
| HP EliteBook 8 G1a 14 AD3E9ET -2! | |
| Dell Pro 14 Plus PB14255 GH77W -2! | |
| Lenovo ThinkPad T14 Gen 6 21QG001VGE -2! | |
| HP OmniBook X Flip 16 | |
| Honor MagicBook Art 14 Snapdragon -2! | |
| Asus ExpertBook B5 B5404CMA -2! | |
| Lenovo ThinkPad E14 Gen 7 21U2002QGE | |
| HP OmniBook X 14 -3! | |
| HP Omnibook 5 14 | |
| Samsung Galaxy Book4 Edge 14 -2! | |
| HP ProBook 445 G10 -2! | |
| HP EliteBook 6 G1q 14 -2! | |
| Medio Qualcomm Snapdragon X Plus X1P-42-100 | |
| Asus ZenBook A14 UX3407QA -2! | |
| Geekbench 5.5 / Multi-Core | |
| Dell Pro 14 Plus PB14255 GH77W | |
| HP EliteBook 8 G1a 14 AD3E9ET | |
| Lenovo ThinkPad T14 Gen 6 21QG001VGE | |
| HP OmniBook X Flip 16 | |
| Lenovo ThinkPad E14 Gen 7 21U2002QGE | |
| Asus ExpertBook B5 B5404CMA | |
| HP Omnibook 5 14 | |
| Medio Qualcomm Snapdragon X Plus X1P-42-100 (4457 - 8618, n=3) | |
| HP ProBook 445 G10 | |
| Geekbench 5.5 / Single-Core | |
| Dell Pro 14 Plus PB14255 GH77W | |
| Lenovo ThinkPad T14 Gen 6 21QG001VGE | |
| HP OmniBook X Flip 16 | |
| HP EliteBook 8 G1a 14 AD3E9ET | |
| Lenovo ThinkPad E14 Gen 7 21U2002QGE | |
| Asus ExpertBook B5 B5404CMA | |
| HP Omnibook 5 14 | |
| Medio Qualcomm Snapdragon X Plus X1P-42-100 (1486 - 1669, n=3) | |
| HP ProBook 445 G10 | |
| Cinebench 2024 / CPU Multi Core | |
| Honor MagicBook Art 14 Snapdragon | |
| HP OmniBook X 14 | |
| HP EliteBook 6 G1q 14 | |
| HP Omnibook 5 14 | |
| Medio Qualcomm Snapdragon X Plus X1P-42-100 (554 - 763, n=11) | |
| Asus ZenBook A14 UX3407QA | |
| Samsung Galaxy Book4 Edge 14 | |
| HP OmniBook X Flip 16 | |
| Lenovo ThinkPad E14 Gen 7 21U2002QGE | |
| Cinebench 2024 / CPU Single Core | |
| Honor MagicBook Art 14 Snapdragon | |
| Samsung Galaxy Book4 Edge 14 | |
| HP OmniBook X Flip 16 | |
| Medio Qualcomm Snapdragon X Plus X1P-42-100 (107 - 109, n=10) | |
| HP OmniBook X 14 | |
| HP Omnibook 5 14 | |
| HP EliteBook 6 G1q 14 | |
| Lenovo ThinkPad E14 Gen 7 21U2002QGE | |
| Asus ZenBook A14 UX3407QA | |
Cinebench R23: Multi Core | Single Core
Cinebench R20: CPU (Multi Core) | CPU (Single Core)
Cinebench R15: CPU Multi 64Bit | CPU Single 64Bit
Blender: v2.79 BMW27 CPU
7-Zip 18.03: 7z b 4 | 7z b 4 -mmt1
Geekbench 6.6: Multi-Core | Single-Core
Geekbench 5.5: Multi-Core | Single-Core
HWBOT x265 Benchmark v2.2: 4k Preset
LibreOffice : 20 Documents To PDF
R Benchmark 2.5: Overall mean
Cinebench 2024: CPU Multi Core | CPU Single Core
* ... más pequeño es mejor
AIDA64: FP32 Ray-Trace | FPU Julia | CPU SHA3 | CPU Queen | FPU SinJulia | FPU Mandel | CPU AES | CPU ZLib | FP64 Ray-Trace | CPU PhotoWorxx
| Performance rating | |
| HP EliteBook 8 G1a 14 AD3E9ET | |
| Dell Pro 14 Plus PB14255 GH77W | |
| Lenovo ThinkPad E14 Gen 7 21U2002QGE | |
| Asus ExpertBook B5 B5404CMA | |
| HP ProBook 445 G10 | |
| HP EliteBook 6 G1q 14 | |
| Medio Qualcomm Snapdragon X Plus X1P-42-100 | |
| AIDA64 / FP32 Ray-Trace | |
| Dell Pro 14 Plus PB14255 GH77W | |
| HP EliteBook 8 G1a 14 AD3E9ET | |
| Lenovo ThinkPad E14 Gen 7 21U2002QGE | |
| HP ProBook 445 G10 | |
| Asus ExpertBook B5 B5404CMA | |
| HP EliteBook 6 G1q 14 | |
| Medio Qualcomm Snapdragon X Plus X1P-42-100 (1480 - 6208, n=9) | |
| AIDA64 / FPU Julia | |
| HP EliteBook 8 G1a 14 AD3E9ET | |
| Dell Pro 14 Plus PB14255 GH77W | |
| Lenovo ThinkPad E14 Gen 7 21U2002QGE | |
| HP ProBook 445 G10 | |
| Asus ExpertBook B5 B5404CMA | |
| HP EliteBook 6 G1q 14 | |
| Medio Qualcomm Snapdragon X Plus X1P-42-100 (14234 - 17629, n=9) | |
| AIDA64 / CPU SHA3 | |
| HP EliteBook 8 G1a 14 AD3E9ET | |
| Dell Pro 14 Plus PB14255 GH77W | |
| HP EliteBook 6 G1q 14 | |
| Lenovo ThinkPad E14 Gen 7 21U2002QGE | |
| Asus ExpertBook B5 B5404CMA | |
| Medio Qualcomm Snapdragon X Plus X1P-42-100 (2036 - 2642, n=9) | |
| HP ProBook 445 G10 | |
| AIDA64 / CPU Queen | |
| HP EliteBook 8 G1a 14 AD3E9ET | |
| Dell Pro 14 Plus PB14255 GH77W | |
| HP ProBook 445 G10 | |
| HP EliteBook 6 G1q 14 | |
| Medio Qualcomm Snapdragon X Plus X1P-42-100 (44346 - 48641, n=9) | |
| Lenovo ThinkPad E14 Gen 7 21U2002QGE | |
| Asus ExpertBook B5 B5404CMA | |
| AIDA64 / FPU SinJulia | |
| HP EliteBook 8 G1a 14 AD3E9ET | |
| Dell Pro 14 Plus PB14255 GH77W | |
| HP ProBook 445 G10 | |
| Asus ExpertBook B5 B5404CMA | |
| Lenovo ThinkPad E14 Gen 7 21U2002QGE | |
| HP EliteBook 6 G1q 14 | |
| Medio Qualcomm Snapdragon X Plus X1P-42-100 (1240 - 1502, n=9) | |
| AIDA64 / FPU Mandel | |
| HP EliteBook 8 G1a 14 AD3E9ET | |
| Dell Pro 14 Plus PB14255 GH77W | |
| HP ProBook 445 G10 | |
| Lenovo ThinkPad E14 Gen 7 21U2002QGE | |
| Asus ExpertBook B5 B5404CMA | |
| HP EliteBook 6 G1q 14 | |
| Medio Qualcomm Snapdragon X Plus X1P-42-100 (4929 - 9953, n=9) | |
| AIDA64 / CPU AES | |
| HP EliteBook 8 G1a 14 AD3E9ET | |
| Dell Pro 14 Plus PB14255 GH77W | |
| Asus ExpertBook B5 B5404CMA | |
| HP EliteBook 6 G1q 14 | |
| Medio Qualcomm Snapdragon X Plus X1P-42-100 (37646 - 45232, n=9) | |
| Lenovo ThinkPad E14 Gen 7 21U2002QGE | |
| HP ProBook 445 G10 | |
| AIDA64 / CPU ZLib | |
| HP EliteBook 8 G1a 14 AD3E9ET | |
| Dell Pro 14 Plus PB14255 GH77W | |
| Asus ExpertBook B5 B5404CMA | |
| Lenovo ThinkPad E14 Gen 7 21U2002QGE | |
| HP EliteBook 6 G1q 14 | |
| HP ProBook 445 G10 | |
| Medio Qualcomm Snapdragon X Plus X1P-42-100 (473 - 524, n=9) | |
| AIDA64 / FP64 Ray-Trace | |
| Dell Pro 14 Plus PB14255 GH77W | |
| HP EliteBook 8 G1a 14 AD3E9ET | |
| Lenovo ThinkPad E14 Gen 7 21U2002QGE | |
| HP ProBook 445 G10 | |
| Asus ExpertBook B5 B5404CMA | |
| HP EliteBook 6 G1q 14 | |
| Medio Qualcomm Snapdragon X Plus X1P-42-100 (2262 - 3430, n=9) | |
| AIDA64 / CPU PhotoWorxx | |
| Lenovo ThinkPad E14 Gen 7 21U2002QGE | |
| HP EliteBook 8 G1a 14 AD3E9ET | |
| Dell Pro 14 Plus PB14255 GH77W | |
| Asus ExpertBook B5 B5404CMA | |
| HP EliteBook 6 G1q 14 | |
| Medio Qualcomm Snapdragon X Plus X1P-42-100 (31088 - 32478, n=9) | |
| HP ProBook 445 G10 | |
CrossMark: Overall | Productivity | Creativity | Responsiveness
WebXPRT 3: Overall
WebXPRT 4: Overall
Mozilla Kraken 1.1: Total
Geekbench AI: Quantized GPU 1.7 | Half Precision GPU 1.7 | Single Precision GPU 1.7
| Performance rating | |
| Dell Pro 14 Plus PB14255 GH77W -3! | |
| HP EliteBook 6 G1q 14 | |
| Medio Qualcomm Snapdragon X Plus X1P-42-100, Qualcomm SD X Adreno X1-45 1.7 TFLOPS | |
| HP EliteBook 8 G1a 14 AD3E9ET -3! | |
| Lenovo ThinkPad E14 Gen 7 21U2002QGE -3! | |
| Asus ExpertBook B5 B5404CMA -3! | |
| CrossMark / Overall | |
| Dell Pro 14 Plus PB14255 GH77W | |
| HP EliteBook 8 G1a 14 AD3E9ET | |
| Lenovo ThinkPad E14 Gen 7 21U2002QGE | |
| Asus ExpertBook B5 B5404CMA | |
| Medio Qualcomm Snapdragon X Plus X1P-42-100, Qualcomm SD X Adreno X1-45 1.7 TFLOPS (1061 - 1463, n=10) | |
| HP EliteBook 6 G1q 14 | |
| CrossMark / Productivity | |
| Dell Pro 14 Plus PB14255 GH77W | |
| HP EliteBook 8 G1a 14 AD3E9ET | |
| Asus ExpertBook B5 B5404CMA | |
| Lenovo ThinkPad E14 Gen 7 21U2002QGE | |
| Medio Qualcomm Snapdragon X Plus X1P-42-100, Qualcomm SD X Adreno X1-45 1.7 TFLOPS (1059 - 1284, n=10) | |
| HP EliteBook 6 G1q 14 | |
| CrossMark / Creativity | |
| Dell Pro 14 Plus PB14255 GH77W | |
| HP EliteBook 8 G1a 14 AD3E9ET | |
| Lenovo ThinkPad E14 Gen 7 21U2002QGE | |
| Asus ExpertBook B5 B5404CMA | |
| Medio Qualcomm Snapdragon X Plus X1P-42-100, Qualcomm SD X Adreno X1-45 1.7 TFLOPS (1070 - 1660, n=10) | |
| HP EliteBook 6 G1q 14 | |
| CrossMark / Responsiveness | |
| Dell Pro 14 Plus PB14255 GH77W | |
| Asus ExpertBook B5 B5404CMA | |
| HP EliteBook 8 G1a 14 AD3E9ET | |
| Lenovo ThinkPad E14 Gen 7 21U2002QGE | |
| Medio Qualcomm Snapdragon X Plus X1P-42-100, Qualcomm SD X Adreno X1-45 1.7 TFLOPS (989 - 1563, n=10) | |
| HP EliteBook 6 G1q 14 | |
| WebXPRT 3 / Overall | |
| HP EliteBook 6 G1q 14 | |
| Medio Qualcomm Snapdragon X Plus X1P-42-100, Qualcomm SD X Adreno X1-45 1.7 TFLOPS (129.9 - 426, n=10) | |
| Dell Pro 14 Plus PB14255 GH77W | |
| HP EliteBook 8 G1a 14 AD3E9ET | |
| Lenovo ThinkPad E14 Gen 7 21U2002QGE | |
| Asus ExpertBook B5 B5404CMA | |
| WebXPRT 4 / Overall | |
| HP EliteBook 6 G1q 14 | |
| Medio Qualcomm Snapdragon X Plus X1P-42-100, Qualcomm SD X Adreno X1-45 1.7 TFLOPS (130.3 - 289, n=10) | |
| Lenovo ThinkPad E14 Gen 7 21U2002QGE | |
| Asus ExpertBook B5 B5404CMA | |
| HP EliteBook 8 G1a 14 AD3E9ET | |
| Dell Pro 14 Plus PB14255 GH77W | |
| Mozilla Kraken 1.1 / Total | |
| Medio Qualcomm Snapdragon X Plus X1P-42-100, Qualcomm SD X Adreno X1-45 1.7 TFLOPS (396 - 1145, n=10) | |
| HP EliteBook 8 G1a 14 AD3E9ET | |
| Lenovo ThinkPad E14 Gen 7 21U2002QGE | |
| Asus ExpertBook B5 B5404CMA | |
| Dell Pro 14 Plus PB14255 GH77W | |
| HP EliteBook 6 G1q 14 | |
| Geekbench AI / Quantized GPU 1.7 | |
| Medio Qualcomm Snapdragon X Plus X1P-42-100, Qualcomm SD X Adreno X1-45 1.7 TFLOPS (40257 - 40994, n=3) | |
| HP EliteBook 6 G1q 14 | |
| Geekbench AI / Half Precision GPU 1.7 | |
| Medio Qualcomm Snapdragon X Plus X1P-42-100, Qualcomm SD X Adreno X1-45 1.7 TFLOPS (16463 - 16672, n=3) | |
| HP EliteBook 6 G1q 14 | |
| Geekbench AI / Single Precision GPU 1.7 | |
| HP EliteBook 6 G1q 14 | |
| Medio Qualcomm Snapdragon X Plus X1P-42-100, Qualcomm SD X Adreno X1-45 1.7 TFLOPS (1539 - 1707, n=3) | |
* ... más pequeño es mejor
| AIDA64 / Memory Copy | |
| Lenovo ThinkPad E14 Gen 7 21U2002QGE | |
| Dell Pro 14 Plus PB14255 GH77W | |
| HP EliteBook 8 G1a 14 AD3E9ET | |
| HP EliteBook 6 G1q 14 | |
| Medio Qualcomm Snapdragon X Plus X1P-42-100 (61258 - 63933, n=9) | |
| Asus ExpertBook B5 B5404CMA | |
| HP ProBook 445 G10 | |
| AIDA64 / Memory Read | |
| Medio Qualcomm Snapdragon X Plus X1P-42-100 (112408 - 128030, n=9) | |
| HP EliteBook 6 G1q 14 | |
| Lenovo ThinkPad E14 Gen 7 21U2002QGE | |
| Dell Pro 14 Plus PB14255 GH77W | |
| HP EliteBook 8 G1a 14 AD3E9ET | |
| Asus ExpertBook B5 B5404CMA | |
| HP ProBook 445 G10 | |
| AIDA64 / Memory Write | |
| Lenovo ThinkPad E14 Gen 7 21U2002QGE | |
| Dell Pro 14 Plus PB14255 GH77W | |
| HP EliteBook 8 G1a 14 AD3E9ET | |
| HP EliteBook 6 G1q 14 | |
| Medio Qualcomm Snapdragon X Plus X1P-42-100 (45782 - 49288, n=9) | |
| Asus ExpertBook B5 B5404CMA | |
| HP ProBook 445 G10 | |
| AIDA64 / Memory Latency | |
| Asus ExpertBook B5 B5404CMA | |
| Dell Pro 14 Plus PB14255 GH77W | |
| HP EliteBook 8 G1a 14 AD3E9ET | |
| Lenovo ThinkPad E14 Gen 7 21U2002QGE | |
| HP ProBook 445 G10 | |
| HP EliteBook 6 G1q 14 | |
| Medio Qualcomm Snapdragon X Plus X1P-42-100 (6.8 - 8.7, n=5) | |
* ... más pequeño es mejor
Dispositivos de almacenamiento
Nuestra Samsung PM9A1 es más rápido que el PM9C1 en el EliteBook 8 14, pero se ralentizará después de sólo unos minutos en nuestra prueba de bucle DiskSpd como se muestra en el gráfico de comparación a continuación. No hay espacio para unidades SSD secundarias.
| Drive Performance rating - Percent | |
| Dell Pro 14 Plus PB14255 GH77W | |
| HP EliteBook 8 G1a 14 AD3E9ET | |
| Lenovo ThinkPad E14 Gen 7 21U2002QGE | |
| HP EliteBook 6 G1q 14 | |
| Asus ExpertBook B5 B5404CMA | |
| HP ProBook 445 G10 | |
* ... más pequeño es mejor
Estrangulamiento de disco: Bucle de lectura DiskSpd, profundidad de cola 8
Rendimiento de la GPU
El rendimiento gráfico es uno de los aspectos más débiles del sistema. El procesador integrado Adreno X1 es superado incluso por el de gama media Arc 130V o la Radeon 860M en los subportátiles de la competencia, sobre todo porque muchas aplicaciones que hacen un uso intensivo de la GPU deben ejecutarse emuladas en el sistema.
| 3DMark 11 Performance | 4591 puntos | |
| 3DMark Cloud Gate Standard Score | 17447 puntos | |
| 3DMark Fire Strike Score | 3667 puntos | |
| 3DMark Time Spy Score | 1067 puntos | |
ayuda | ||
* ... más pequeño es mejor
| Performance rating - Percent | |
| Lenovo ThinkPad E14 Gen 7 21U2002QGE | |
| Dell Pro 14 Plus PB14255 GH77W -2! | |
| HP EliteBook 8 G1a 14 AD3E9ET -1! | |
| Asus ExpertBook B5 B5404CMA | |
| HP EliteBook 6 G1q 14 | |
| HP ProBook 445 G10 -2! | |
| Cyberpunk 2077 - 1920x1080 Ultra Preset (FSR off) | |
| Lenovo ThinkPad E14 Gen 7 21U2002QGE | |
| HP EliteBook 8 G1a 14 AD3E9ET | |
| Dell Pro 14 Plus PB14255 GH77W | |
| Asus ExpertBook B5 B5404CMA | |
| HP EliteBook 6 G1q 14 | |
| Baldur's Gate 3 - 1920x1080 Ultra Preset AA:T | |
| Lenovo ThinkPad E14 Gen 7 21U2002QGE | |
| HP EliteBook 8 G1a 14 AD3E9ET | |
| Dell Pro 14 Plus PB14255 GH77W | |
| Asus ExpertBook B5 B5404CMA | |
| HP EliteBook 6 G1q 14 | |
| GTA V - 1920x1080 Highest AA:4xMSAA + FX AF:16x | |
| Lenovo ThinkPad E14 Gen 7 21U2002QGE | |
| HP EliteBook 8 G1a 14 AD3E9ET | |
| HP EliteBook 6 G1q 14 | |
| Asus ExpertBook B5 B5404CMA | |
| HP ProBook 445 G10 | |
| Final Fantasy XV Benchmark - 1920x1080 High Quality | |
| Lenovo ThinkPad E14 Gen 7 21U2002QGE | |
| HP EliteBook 8 G1a 14 AD3E9ET | |
| Dell Pro 14 Plus PB14255 GH77W | |
| Asus ExpertBook B5 B5404CMA | |
| HP EliteBook 6 G1q 14 | |
| HP ProBook 445 G10 | |
| Strange Brigade - 1920x1080 ultra AA:ultra AF:16 | |
| Lenovo ThinkPad E14 Gen 7 21U2002QGE | |
| Asus ExpertBook B5 B5404CMA | |
| Asus ExpertBook B5 B5404CMA | |
| HP EliteBook 6 G1q 14 | |
| HP ProBook 445 G10 | |
| Dota 2 Reborn - 1920x1080 ultra (3/3) best looking | |
| Dell Pro 14 Plus PB14255 GH77W | |
| Asus ExpertBook B5 B5404CMA | |
| Lenovo ThinkPad E14 Gen 7 21U2002QGE | |
| HP EliteBook 6 G1q 14 | |
| HP EliteBook 8 G1a 14 AD3E9ET | |
| HP ProBook 445 G10 | |
| X-Plane 11.11 - 1920x1080 high (fps_test=3) | |
| Dell Pro 14 Plus PB14255 GH77W | |
| HP EliteBook 8 G1a 14 AD3E9ET | |
| Lenovo ThinkPad E14 Gen 7 21U2002QGE | |
| HP EliteBook 6 G1q 14 | |
| Asus ExpertBook B5 B5404CMA | |
| HP ProBook 445 G10 | |
Cyberpunk 2077 ultra FPS Gráfico
| bajo | medio | alto | ultra | |
|---|---|---|---|---|
| GTA V (2015) | 112 | 103.6 | 34.2 | 15.3 |
| Dota 2 Reborn (2015) | 85.6 | 67.3 | 57.6 | 49.7 |
| Final Fantasy XV Benchmark (2018) | 37.5 | 18 | 9.88 | |
| X-Plane 11.11 (2018) | 40.9 | 30.5 | 27.3 | |
| Strange Brigade (2018) | 87.4 | 29.9 | 22.7 | 19.6 |
| Baldur's Gate 3 (2023) | 13.3 | 11.7 | 10.2 | 10.1 |
| Cyberpunk 2077 (2023) | 15.2 | 11.6 | 9.81 | 8.41 |
Emisiones
Ruido del sistema
El sistema permanece muy silencioso incluso cuando se ejecutan cargas medias como navegación, multitarea y transmisión de vídeo, mientras que los ventiladores de la mayoría de los sistemas Intel o AMD aumentarían su velocidad mucho antes. Sin embargo, si la CPU está a pleno rendimiento, el ruido del ventilador puede alcanzar algo más de 40 dB(A), que es un techo similar para la mayoría de los subportátiles.
Ruido
| Ocioso |
| 22.8 / 22.8 / 22.8 dB(A) |
| Carga |
| 22.8 / 41.8 dB(A) |
![]() | ||
30 dB silencioso 40 dB(A) audible 50 dB(A) ruidosamente alto |
||
min: | ||
| HP EliteBook 6 G1q 14 SD X Plus X1P-42-100, Adreno X1-45 1.7 TFLOPS | HP EliteBook 8 G1a 14 AD3E9ET R7 250, Radeon 780M | HP ProBook 445 G10 R5 7530U, Vega 7 | Lenovo ThinkPad E14 Gen 7 21U2002QGE Core Ultra 5 228V, Arc 130V | Dell Pro 14 Plus PB14255 GH77W Ryzen AI 7 PRO 350, Radeon 860M | Asus ExpertBook B5 B5404CMA Ultra 7 155U, Graphics 4-Core iGPU (Arrow Lake) | |
|---|---|---|---|---|---|---|
| Noise | -19% | -13% | -17% | -14% | -38% | |
| apagado / medio ambiente * (dB) | 22.7 | 23.7 -4% | 24 -6% | 24.5 -8% | 24.9 -10% | 23 -1% |
| Idle Minimum * (dB) | 22.8 | 23.7 -4% | 24 -5% | 24.5 -7% | 24.9 -9% | 27.38 -20% |
| Idle Average * (dB) | 22.8 | 23.7 -4% | 25 -10% | 24.5 -7% | 24.9 -9% | 27.38 -20% |
| Idle Maximum * (dB) | 22.8 | 23.7 -4% | 28 -23% | 25.4 -11% | 27.6 -21% | 27.38 -20% |
| Load Average * (dB) | 22.8 | 39.1 -71% | 33 -45% | 38.6 -69% | 29.3 -29% | 45.35 -99% |
| Cyberpunk 2077 ultra * (dB) | 29.4 | 42.4 -44% | 34.9 -19% | 37.5 -28% | 52.3 -78% | |
| Load Maximum * (dB) | 41.8 | 42.3 -1% | 36 14% | 41.5 1% | 37.5 10% | 52.21 -25% |
| Witcher 3 ultra * (dB) | 36 |
* ... más pequeño es mejor
Temperatura
Las temperaturas superficiales son notablemente más cálidas en la mitad izquierda del chasis, cerca del procesador. Los puntos calientes pueden alcanzar alrededor de 40 C, que es sólo ligeramente más frío que lo que registramos en el Intel-powered ThinkPad E14 Gen 7.
(+) La temperatura máxima en la parte superior es de 37.2 °C / 99 F, frente a la media de 34.3 °C / 94 F, que oscila entre 21.2 y 62.5 °C para la clase Office.
(±) El fondo se calienta hasta un máximo de 42.4 °C / 108 F, frente a la media de 36.8 °C / 98 F
(+) En reposo, la temperatura media de la parte superior es de 22.5 °C / 73# F, frente a la media del dispositivo de 29.5 °C / 85 F.
(+) El reposamanos y el panel táctil están a una temperatura inferior a la de la piel, con un máximo de 26.4 °C / 79.5 F y, por tanto, son fríos al tacto.
(±) La temperatura media de la zona del reposamanos de dispositivos similares fue de 27.5 °C / 81.5 F (+1.1 °C / 2 F).
| HP EliteBook 6 G1q 14 SD X Plus X1P-42-100, Adreno X1-45 1.7 TFLOPS | HP EliteBook 8 G1a 14 AD3E9ET R7 250, Radeon 780M | HP ProBook 445 G10 R5 7530U, Vega 7 | Lenovo ThinkPad E14 Gen 7 21U2002QGE Core Ultra 5 228V, Arc 130V | Dell Pro 14 Plus PB14255 GH77W Ryzen AI 7 PRO 350, Radeon 860M | Asus ExpertBook B5 B5404CMA Ultra 7 155U, Graphics 4-Core iGPU (Arrow Lake) | |
|---|---|---|---|---|---|---|
| Heat | -10% | -19% | -5% | -10% | -20% | |
| Maximum Upper Side * (°C) | 37.2 | 41.3 -11% | 43 -16% | 41.7 -12% | 38.1 -2% | 38.6 -4% |
| Maximum Bottom * (°C) | 42.4 | 40.5 4% | 51 -20% | 43.3 -2% | 40.1 5% | 48 -13% |
| Idle Upper Side * (°C) | 24.2 | 27.4 -13% | 27 -12% | 24.3 -0% | 28.9 -19% | 28.8 -19% |
| Idle Bottom * (°C) | 23.6 | 28.6 -21% | 30 -27% | 25 -6% | 29.6 -25% | 33.4 -42% |
* ... más pequeño es mejor
Prueba de estrés
La CPU aumentaría a 3,2 GHz y 25 W al iniciar el estrés Prime95. Sin embargo, después de alcanzar una temperatura del núcleo de 89 C unos segundos más tarde, la CPU caería a 2,7 GHz y 15 W para una temperatura del núcleo más fría de 76 C.
| Reloj medio de la CPU (GHz) | Reloj de la GPU (MHz) | Temperatura media de la CPU (°C) | |
| Sistema en reposo | -- | -- | 23 |
| Prime95 Stress | 2.7 | -- | 76 |
| Prime95 + FurMark Stress | 2.2 - 2.7 | 1107 | 65 - 82 |
| Cyberpunk 2077 Estrés | 3.2 | 1107 | 48 |
Altavoces
HP EliteBook 6 G1q 14 análisis de audio
(+) | los altavoces pueden reproducir a un volumen relativamente alto (#84.3 dB)
Graves 100 - 315 Hz
(-) | casi sin bajos - de media 24% inferior a la mediana
(±) | la linealidad de los graves es media (8.4% delta a frecuencia anterior)
Medios 400 - 2000 Hz
(+) | medios equilibrados - a sólo 3.8% de la mediana
(+) | los medios son lineales (6% delta a la frecuencia anterior)
Altos 2 - 16 kHz
(+) | máximos equilibrados - a sólo 3.5% de la mediana
(+) | los máximos son lineales (5.4% delta a la frecuencia anterior)
Total 100 - 16.000 Hz
(±) | la linealidad del sonido global es media (15.5% de diferencia con la mediana)
En comparación con la misma clase
» 16% de todos los dispositivos probados de esta clase eran mejores, 4% similares, 81% peores
» El mejor tuvo un delta de 7%, la media fue 21%, el peor fue ###max##%
En comparación con todos los dispositivos probados
» 23% de todos los dispositivos probados eran mejores, 4% similares, 73% peores
» El mejor tuvo un delta de 4%, la media fue 24%, el peor fue ###max##%
Apple MacBook Pro 16 2021 M1 Pro análisis de audio
(+) | los altavoces pueden reproducir a un volumen relativamente alto (#84.7 dB)
Graves 100 - 315 Hz
(+) | buen bajo - sólo 3.8% lejos de la mediana
(+) | el bajo es lineal (5.2% delta a la frecuencia anterior)
Medios 400 - 2000 Hz
(+) | medios equilibrados - a sólo 1.3% de la mediana
(+) | los medios son lineales (2.1% delta a la frecuencia anterior)
Altos 2 - 16 kHz
(+) | máximos equilibrados - a sólo 1.9% de la mediana
(+) | los máximos son lineales (2.7% delta a la frecuencia anterior)
Total 100 - 16.000 Hz
(+) | el sonido global es lineal (4.6% de diferencia con la mediana)
En comparación con la misma clase
» 0% de todos los dispositivos probados de esta clase eran mejores, 0% similares, 100% peores
» El mejor tuvo un delta de 5%, la media fue 17%, el peor fue ###max##%
En comparación con todos los dispositivos probados
» 0% de todos los dispositivos probados eran mejores, 0% similares, 100% peores
» El mejor tuvo un delta de 4%, la media fue 24%, el peor fue ###max##%
Gestión de la energía
Consumo de energía
Se espera que el EliteBook con Snapdragon sea muy eficiente, especialmente al ejecutar cargas de trabajo comunes del día a día como navegadores o vídeo. Puede ser más exigente que un sistema Core Ultra 7 258V como el ThinkPad T14 G6 cuando la CPU está totalmente estresada, pero ofrece un rendimiento más rápido al mismo tiempo para un nivel similar de rendimiento por vatio.
Hemos podido registrar un consumo máximo de 69 W desde el pequeño (~8,9 x 5 x 2,8 cm) adaptador de CA USB-C de 65 W.
| Off / Standby | |
| Ocioso | |
| Carga |
|
Clave:
min: | |
| HP EliteBook 6 G1q 14 SD X Plus X1P-42-100, Adreno X1-45 1.7 TFLOPS, Samsung PM9A1 MZVL2512HCJQ, IPS, 1920x1200, 14" | HP EliteBook 8 G1a 14 AD3E9ET R7 250, Radeon 780M, Samsung PM9C1 MZVL81T0HELB-00BTW, IPS LED, 1920x1200, 14" | HP ProBook 445 G10 R5 7530U, Vega 7, Kioxia BG5 KBG50ZNS512G, IPS, 1920x1080, 14" | Lenovo ThinkPad E14 Gen 7 21U2002QGE Core Ultra 5 228V, Arc 130V, Samsung PM9C1b MZVL81T0HFLB-00BH1, IPS, 2880x1800, 14" | Dell Pro 14 Plus PB14255 GH77W Ryzen AI 7 PRO 350, Radeon 860M, Micron 2500 1TB MTFDKBA1T0QGN, IPS LED, 1920x1200, 14" | Asus ExpertBook B5 B5404CMA Ultra 7 155U, Graphics 4-Core iGPU (Arrow Lake), Micron 2400 MTFDKBA1T0QFM, IPS, 1920x1200, 14" | |
|---|---|---|---|---|---|---|
| Power Consumption | -44% | -58% | -63% | -53% | -59% | |
| Idle Minimum * (Watt) | 3.4 | 3.2 6% | 7 -106% | 3.9 -15% | 3.7 -9% | 2.57 24% |
| Idle Average * (Watt) | 4.5 | 5.2 -16% | 8 -78% | 7.2 -60% | 7.3 -62% | 5.95 -32% |
| Idle Maximum * (Watt) | 5.9 | 6.1 -3% | 9 -53% | 8.6 -46% | 8.5 -44% | 6.85 -16% |
| Load Average * (Watt) | 18.4 | 41.8 -127% | 34 -85% | 39.9 -117% | 37.4 -103% | 45.6 -148% |
| Cyberpunk 2077 ultra * (Watt) | 22.1 | 42.1 -90% | 44.8 -103% | 35.9 -62% | 48.6 -120% | |
| Cyberpunk 2077 ultra external monitor * (Watt) | 20.1 | 41.6 -107% | 42.1 -109% | 40.3 -100% | 48 -139% | |
| Load Maximum * (Watt) | 69.2 | 50.5 27% | 47 32% | 61 12% | 64.6 7% | 55.7 20% |
| Witcher 3 ultra * (Watt) | 36.2 |
* ... más pequeño es mejor
Consumo de energía Cyberpunk / Prueba de estrés
Consumo de energía Monitor externo
Duración de las pilas
La autonomía es muy larga, casi 16 horas de navegación real con la batería de 56 Wh. También hay disponibles configuraciones con una batería más pequeña y ligera de 48 Wh.
| HP EliteBook 6 G1q 14 SD X Plus X1P-42-100, Adreno X1-45 1.7 TFLOPS, 56 Wh | HP EliteBook 8 G1a 14 AD3E9ET R7 250, Radeon 780M, 62 Wh | HP ProBook 445 G10 R5 7530U, Vega 7, 42 Wh | Lenovo ThinkPad E14 Gen 7 21U2002QGE Core Ultra 5 228V, Arc 130V, 64 Wh | Dell Pro 14 Plus PB14255 GH77W Ryzen AI 7 PRO 350, Radeon 860M, 55 Wh | Asus ExpertBook B5 B5404CMA Ultra 7 155U, Graphics 4-Core iGPU (Arrow Lake), 63 Wh | |
|---|---|---|---|---|---|---|
| Duración de Batería | -11% | -40% | -8% | -26% | -18% | |
| WiFi v1.3 (h) | 15.9 | 14.2 -11% | 9.5 -40% | 14.6 -8% | 11.8 -26% | 13.1 -18% |
| Load (h) | 1.8 | 1.8 | ||||
| H.264 (h) | 12.7 |
Valoración de Notebookcheck
Una batería de muy larga duración, un funcionamiento silencioso y una gran conectividad convierten al HP EliteBook 6 G1q 14 en un atractivo portátil empresarial si se ejecutan principalmente aplicaciones nativas ARM.
HP EliteBook 6 G1q 14
- 01/02/2026 v8
Allen Ngo
Competidores potenciales en comparación
Imagen | Modelo | Precio | Peso | Altura | Pantalla |
|---|---|---|---|---|---|
| HP EliteBook 6 G1q 14 Qualcomm Snapdragon X Plus X1P-42-100 ⎘ Qualcomm SD X Adreno X1-45 1.7 TFLOPS ⎘ 32 GB Memoría, 512 GB SSD | Amazon: Precio de catálogo: 1300 USD | 1.5 kg | 17 mm | 14.00" 1920x1200 162 PPI IPS | |
| HP EliteBook 8 G1a 14 AD3E9ET AMD Ryzen 7 250 ⎘ AMD Radeon 780M ⎘ 32 GB Memoría, 1024 GB SSD | Amazon: Precio de catálogo: 1695 Euro | 1.4 kg | 19.1 mm | 14.00" 1920x1200 162 PPI IPS LED | |
| HP ProBook 445 G10 AMD Ryzen 5 7530U ⎘ AMD Radeon RX Vega 7 ⎘ 16 GB Memoría, 512 GB SSD | Amazon: 1. $949.98 HP ProBook 450 G10 Business ... 2. $599.00 HP ProBook 445 G10 14" FHD (... 3. $349.98 HP ProBook 445 G9 14" Notebo... Precio de catálogo: 830 EUR | 1.3 kg | 20 mm | 14.00" 1920x1080 157 PPI IPS | |
| Lenovo ThinkPad E14 Gen 7 21U2002QGE Intel Core Ultra 5 228V ⎘ Intel Arc Graphics 130V ⎘ 32 GB Memoría, 1000 GB SSD | Amazon: Precio de catálogo: 1199€ | 1.4 kg | 15.3 mm | 14.00" 2880x1800 243 PPI IPS | |
| Dell Pro 14 Plus PB14255 GH77W AMD Ryzen AI 7 PRO 350 ⎘ AMD Radeon 860M ⎘ 32 GB Memoría, 1024 GB SSD | Amazon: Precio de catálogo: 1630 Euro | 1.6 kg | 22 mm | 14.00" 1920x1200 162 PPI IPS LED | |
| Asus ExpertBook B5 B5404CMA Intel Core Ultra 7 155U ⎘ Intel Graphics 4-Core iGPU (Meteor / Arrow Lake) ⎘ 16 GB Memoría, 1024 GB SSD | Amazon: 1. $1,529.99 ASUS ExpertBook B5 Thin & Li... 2. $69.99 FCZFCZ C31N2005 Battery 50Wh... 3. $160.50 Factory Original 8GB (1x8GB)... Precio de catálogo: 1340 USD | 1.3 kg | 19 mm | 14.00" 1920x1200 162 PPI IPS |
Transparencia
La selección de los dispositivos que se van a reseñar corre a cargo de nuestro equipo editorial. La muestra de prueba fue proporcionada al autor en calidad de préstamo por el fabricante o el minorista a los efectos de esta reseña. El prestamista no tuvo ninguna influencia en esta reseña, ni el fabricante recibió una copia de la misma antes de su publicación. No había ninguna obligación de publicar esta reseña. Como empresa de medios independiente, Notebookcheck no está sujeta a la autoridad de fabricantes, minoristas o editores.
Así es como prueba Notebookcheck
Cada año, Notebookcheck revisa de forma independiente cientos de portátiles y smartphones utilizando procedimientos estandarizados para asegurar que todos los resultados son comparables. Hemos desarrollado continuamente nuestros métodos de prueba durante unos 20 años y hemos establecido los estándares de la industria en el proceso. En nuestros laboratorios de pruebas, técnicos y editores experimentados utilizan equipos de medición de alta calidad. Estas pruebas implican un proceso de validación en varias fases. Nuestro complejo sistema de clasificación se basa en cientos de mediciones y puntos de referencia bien fundamentados, lo que mantiene la objetividad.



























































